从厂区规划、工艺设计、设备选型、设备制作、设备安装、试运行直至交付正式投产,潍坊隆福全程跟踪服务
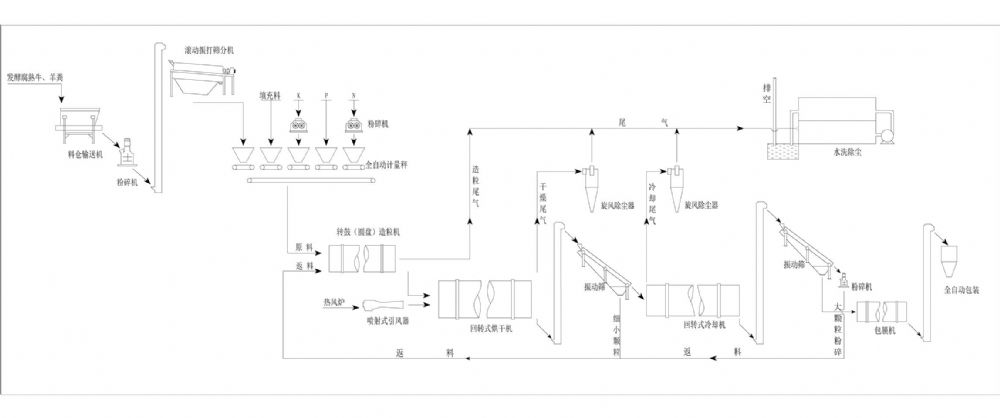
1、利用发酵腐熟羊(牛)粪生产生物有机工艺流程图

2、腐熟羊(牛)粪进入生产线

3、腐熟羊(牛)粪预粉碎、筛选(造粒前腐熟料精选,粒径要求≤1.00mm)

4、精选腐熟羊(牛)粪进入自动计量装置、其他填充料进入相应的计量装置称重

5、称重后物料进入搅拌系统、送入造粒(可选圆盘造粒、转鼓造粒、挤压造粒等任意一种造粒方式)

6、圆盘造粒安装细节图

7、成球后颗粒送入回转式烘干机(弯管式振打装置防黏壁)、进入热筛分(只筛分不合格的小颗粒,颗粒直径≤2.00mm)

8、回转式烘干机、回转式冷却机安装细节

9、冷却机后肥料进入成品筛分机筛选颗粒、进入包菌机(生产生物有机肥专用)

10、成品进入全自动包装秤称重、包装、入库销售

11、生产线控制室(隔离)、成品生物有机肥颗粒

12、采用条垛式堆肥发酵工艺(也可采用槽式或罐式发酵工艺)

13、发往安装现场的照片


14、设备就位现场

15、土建施工现场(我公司亲临现场指导作业)

16、设备基础制作完成

牛羊粪属于纤维类的原料,较难造粒,造粒关键点是要调整好物料细度及物料粘度。
圆盘造粒工艺指标要求:
1、 原料细度。发酵、腐熟、陈化后的牛、羊、鸡粪等原料细度≤100目。
2、 造粒。初投料造粒时好有≤1mm的粉状返料作为母料参与造粒;造粒中要充分利用物料自身的粘力使物料在圆盘的旋转运动中成粒。
3、 投料。投料量大时,物料在圆盘中滚动时间短,成球颗粒太小且颗粒比较脆弱,成品率低易粉化。投料量小时容易出现大颗粒。
4、 造粒倾角。圆盘造粒机角度在45~55°可任意调整。
产品执行标准:生物有机肥NY884-2012
项 目 粉 剂 颗 粒
有效活菌数(cfu),亿/g ≥ 0.20 0.20
有机质(以干基计),% ≥ 40.0 40.0
水分,% ≤ 30.0 30.0
PH值 5.5~8.5 5.5~8.5
大肠杆菌群数,个/g(ML) ≤ 100 100
蛔虫卵死亡率,% ≥ 95 95
有效期,月 ≥ 6 6
| 上一条:有机肥发酵~~罐式发酵 | 下一条:有机肥设备~~皮带输送机 |





